
- Brzina zatvaranja: 15-30 komada/min
- Nazivni napon: 110V/60Hz (standard SAD)
- Snaga stroja: 0.8KW
- Amper: 2,2 A
- Vanjska dimenzija: 2230*1460*1600 MM (D*Š*V)
- Tlak zraka: 0,7 MPa
- Težina: oko 300 KG
Obavijest prije pokretanja stroja za zatvaranje boca
1: Prije nego što se stroj uključi, provjerite je li prekidač napajanja u zatvorenom stanju, a zatim slijedite upute.
2: Ako stroj ne radi dulje vrijeme, treba ga obrisati komadom suhe krpe i ne smije se čistiti nikakvim korozivnim sredstvom za čišćenje.
3: Strogo je zabranjeno prskanje bilo kakve tekućine u električnu kutiju stroja, kako bi se izbjegla korozija unutarnjih električnih komponenti i uzrok kratki spoj.
4: Provjerite u skladu s modelima popisa za pakiranje opreme, specifikacijama i količinom opreme i materijala kako biste bili sigurni da ispunjavaju zahtjeve standarda dizajna i proizvoda te da ih prate potvrde o sukladnosti.
5: Provjerite izgled opreme kako biste bili sigurni da nema deformacija, oštećenja i korozije, te provjerite da li se sva vretena moraju fleksibilno okretati bez blokada.
6: Ovaj stroj radi pod jednofaznom izmjeničnom strujom od 110 V, a plosnati trokraki utikač treba uključiti u utičnicu s uzemljenom žicom.
Tehnički parametri

- Brzina zatvaranja: 15-30 komada/min
- Nazivni napon: 110V/60Hz (standard SAD)
- Snaga stroja: 0.8KW
- Amper: 2,2 A
- Vanjska dimenzija: 2230*1460*1600 MM (D*Š*V)
- Tlak zraka: 0,7 MPa
- Težina: oko 300 KG
Stroj za zatvaranje u detaljima:



Strukture stroja

Opis električnog oka optičkog vlakna
Električno oko za otkrivanje boca:

Kada se njime upravlja u automatskom načinu rada, svrha ovog električnog oka je detektirati dolazne boce.
Kada se otkrije dolazna boca, "okretna ploča" se okreće.
Lid-Delivery Electric Eye

Kada se njime upravlja u automatskom načinu rada, svrha ovog električnog oka je otkrivanje dolaznih naslovnica.
Kada se otkrije dolazni poklopac, "mehanizam za vađenje" se podiže za uzimanje materijala.
Lid-Delivery Electric Eye

Kada se njime upravlja u automatskom načinu rada: Svrha ovog električnog oka je otkrivanje dolaznih boca.
Kada se otkrije dolazna boca, "mehanizam zatvarača zatvarača" okreće zatvarač zatvarača prema dolje.
Gumb prekidača i priključak za ožičenje
Zaslon osjetljiv na dodir i zaustavljanje u nuždi

Motor za dovod i kontroler ploče za vibracije poklopca

Regulator vibracijske ploče

Regulator vibracijske ploče: podešavanjem napona prilagodite brzinu pražnjenja.
Prekidač i utičnice

Kontroler motora

Frekvencijski transformator: Podešavanjem gumba frekvencijskog transformatora podesite brzinu motora.
Alarm i metoda rješavanja problema:
1. Pritisnuto je zaustavljanje u nuždi. Pritisnite graničnike za hitne slučajeve na poklopcu stroja i pored zaslona osjetljivog na dodir.
2. Izlaz dostiže zadanu vrijednost. Postavite izlaz, pritisnite gumb za brisanje za brisanje trenutnog izlaza.
3. Ako se kape ne detektiraju dulje vrijeme, provjerite. Provjerite indukcijsko vlakno čepa boce je li dobro postavljeno. Provjerite jesu li čepovi na mjestu ili ne.
4. Ako se boce ne otkriju dulje vrijeme, provjerite. Provjerite jesu li boce na mjestu.
Električno podešavanje oka:
Struktura pojačala

Dijagram za optičko vlakno:

1. Šipka za zaključavanje optičkog vlakna
2. Indikator statusa rada
3. Postavite
4. Svjetlo indikatora DSC
5. Digitalni monitor
6. Ručna tipka
7. Prošireni zaštitni poklopac
8. Priključak za proširenje
9. Prekidač za odabir napajanja
10. Gumb za način rada
11. Izbornik izlaza
12. Kabeli
13. Zaštita od prašine
14. Postavite vrijednost (zeleno)
15. Trenutna vrijednost (crveno)
Radni proces za postavku optičkih vlakana
- Kada električno oko padne u procjep, vrijednost crvene struje je 144.
- Kada električno oko padne na naljepnicu, crvena vrijednost struje je 4.
- Podesite zadanu vrijednost", oko 1/2 vrijednosti koju električno oko nalazi na papiru za tijelo (u razmaku između objekata koji se detektiraju) i vrijednosti koje električno oko nalazi na papiru, postavljena vrijednost je (144 4)/2=74, namjestite ručnu tipku za podešavanje postavljene vrijednosti na 74.
- Pomičite razmak naljepnice naprijed-natrag na mjestu električnog oka i crvenog "signalnog svjetla/svjetla indikatora".
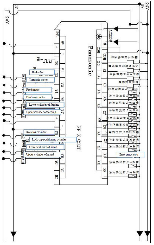
Dijagram strujnog kruga



Stroj za zatvaranje boca za održavanje

1. Potrebno je provjeriti i održavati stroj kako bi se izdužio stroj i optimizirao rad stroja;
- Radni stroj treba održavati svaka tri mjeseca;
- Dio prijenosa ležaja i zupčanika mora biti podmazan mašću;
- Podmazivanje se mora obavljati povremeno;
- Ulje za kliznu stazu (N68) treba dodati u dio poput klipnog mehanizma za kretanje ili podizanje dva puta dnevno;
- Automobilsko ulje (N68) treba dodati u rotacijske ili zakretne dijelove;
- Svakih pola mjeseca dodajte mast u utor bregaste osovine;
- Svaki mjesec jednom za mlaznicu ulja dodavanjem masti;
2. Nikada nemojte koristiti metalne alate za udaranje ili struganje površine na kojoj se spajanje nakuplja na dijelovima kao što su komponente ili plijesan.
3. Ako stroj prestane raditi na dulje vrijeme, dodajte mast za podmazivanje u dijelove kao što su prijenos ili dio ležaja; Također tretirajte stroj vodootpornom zaštitom.
4. Nikada ne stavljajte nikakve predmete na stroj kako ne bi oštetili stroj.
5. Povremeno očistite prašinu unutar komponenti također provjerite sve vijke i popravite sve olabavljene vijke.
6. Provjerite vijke u stezaljkama za ožičenje u određeno vrijeme i provjerite je li vijak fiksiran;
7. Provjerite ima li labavih stanica na razvučenom putu ožičenja od električnih kutija; Ako je dio previše labav, ponovno pričvrstite vijak kako biste izbjegli habanje ili oštećenje izolacijskog sloja što može uzrokovati curenje struje.
8. Provjeravajte lako istrošene i na vrijeme mijenjajte oštećene;









